Найдено 10 книг стоимостью от 595 руб.
Быстро купить книгу в оригинальной качественной версии PDF от издательства
Найдена 1 книга за 8062 руб.
Купить бумажную версию книги с доставкой по вашему адресу
Скачать руководство с предоставленного файлообменника
Третье поколение тяжёлых грузовиков Volvo FH шведская компания Volvo Trucks производит с 2012 года. Автомобили комплектуются дизельными моторами объёмом 12.8, 16.1 литра мощностью от 420 до 750 лошадиных сил, автоматической коробкой передач Powertronic или 12-ступенчатой механической коробкой с системой автоматизированного переключения скоростей I-Shift. Кроме того, грузовики снабжены новой технологичной системой AEB.
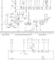
Книга по ремонту Volvo FH 2012 года выпуска (Том 1) издательства «Монолит» даёт детальное описание важных составляющих грузовика: подвески, тормозной системы, рулевого управления, отопительной системы и системы кондиционирования, электрооборудования. Руководство по эксплуатации Volvo FH позволит автовладельцу или водителю самостоятельно выполнить регламентируемые работы по техническому обслуживанию и ремонту этих агрегатов и систем. На сайте можно заказать и купить руководство по актуальной цене или скачать в формате PDF.
Оглавление книги по ремонту
- Введение
- Действия в чрезвычайных ситуациях
- Знаки аварийной остановки и аптечка
- Volvo Action Service
- Тормозная система
- Обновление программного обеспечения
- Блок цилиндров и картер маховика
- Ремонтные работы
- Система питания
- Общая информация
- Спецификация и моменты затяжки
- Сцепление
- Ремонтные операции
- Коробка передач
- Коробка отбора мощности
- Ремонтные операции
- Спецификация и моменты затяжки
Купить книгу: цены и наличие
| Магазин | Цена | Информация |
|---|---|---|
| KRUTILVERTEL | 2612 руб. | |
| KRUTILVERTEL | 2612 руб. | |
| AUTODATA | 8062 руб. |