Найдена 1 книга за 1071 руб.
Быстро купить книгу в оригинальной качественной версии PDF от издательства
Найдена 1 книга за 1190 руб.
Купить бумажную версию книги с доставкой по вашему адресу
Скачать руководство с предоставленного файлообменника
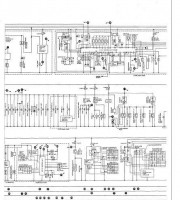
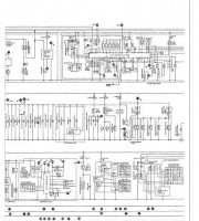
Книга по ремонту Hyundai Pony это мануал, направленный на освоение базовых навыков по использованию и ремонту машины. С описание различных агрегатов, электросхемами и рекомендациями к проведению проверок. Для авто с 1985-1994 гг. выпуска, с дизельными моторами: 1.3 л. (59 л.с.)/1.5 л.(72/84 л.с.).<\p>
Руководство по эксплуатации Hyundai Pony подойдет автовладельцам с разным опытом: от профессионалов до новичков. Научит понимать автомобиль - устранять не только неисправности, но и их первопричину, экономя на автосервисе. Купить пособие, можно в мягком издании, а также в PDF: скачать на сайте
Оглавление книги по ремонту
- Замена свечей зажигания и проверка системы зажигания
- Сальник распредвала - замена
- Компоненты системы кондиционирования воздуха - снятие и установка
- Генератор - проверка и ремонт
- Привод спидометра - снятие и установка
- Переборка автоматической трансмиссии - общее описание
- Амортизатор задней подвески - снятие, проверка исправности и установка
- Рулевое колесо -снятие и установка
- Промежуточный вал рулевой колонки - снятие, осмотр и установка
- Дверь - снятие, установка и регулировка
- Центральная консоль - снятие и установка
- Мотор и тяга стеклоочистителя - снятие и установка
- Автомагнитола и антенна - снятие и установка
Купить книгу: цены и наличие
| Магазин | Цена | Информация |
|---|---|---|
| KRUTILVERTEL | 1071 руб. | |
| AUTOINFORM96 | 1190 руб. |