Найдена 1 книга за 1000 руб.
Быстро купить книгу в оригинальной качественной версии PDF от издательства
Найдена 1 книга за 1486 руб.
Купить бумажную версию книги с доставкой по вашему адресу
Скачать руководство с предоставленного файлообменника
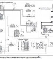
Руководство по эксплуатации КАМАЗ-43118 содержит всю необходимую информацию для грамотного и эффективного использования техники. В нём вы найдёте подробное описание средств управления, оборудование кабины и содержание приборной доски. В разделе эксплуатации есть обязательные инструкции по расконсервации автомобиля, подготовке к движению и вождению в сложных климатических условиях.
Разделы руководства по эксплуатации КАМАЗ-43118
Пользуясь книгой в нужное время, вы сможете разобраться в устройстве силового агрегата и работе основных систем автомобиля, подготовиться к ремонту разной сложности, а также:
- понять схему работы сцепления и узнать допустимый износ деталей на коробке передач;
- выяснить из чего, состоит тормозная система и разобрать технические характеристики ведущих мостов на разных моделях;
- познакомиться поближе с рулевым механизмом и увидеть отличия в комплектации подвесок автомобилей семейства КАМАЗ.
Кроме того, вы узнаете контрольные данные для регулировки грузовиков, перечень приспособлений и необходимого инструмента для ремонта, а также много другой интересной информации. Это пособие отлично подойдёт как руководство по эксплуатации на КАМАЗ-43114 (Евро 4) и других моделей с двигателями разной мощности. Здесь можно найти технические особенности каждого грузовика в отдельности, а также общие рекомендации по ежедневному техобслуживанию и нужные сведения для обращении в сервисные организации после определённого пробега.
Купить книгу: цены и наличие
| Магазин | Цена | Информация |
|---|---|---|
| AUTOINFORM96 | 1486 руб. |